ПРИЛОЖЕНИЕ 2 (рекомендуемое). ОБОРУДОВАНИЕ ДЛЯ МЕХАНИЧЕСКИХ ИСПЫТАНИЙ ОКОН
Приложение 2
Рекомендуемое
Испытательная машина 1 (конструкции ВНИИдрева)
Машина (черт.1) предназначена для испытаний на надежность окон и балконных дверей и на сопротивление нагрузке, действующей в плоскости створки.Окно или дверь помещают между стойками машины: неподвижной и подвижной, перемещаемой приводом при настройке на ширину окна или двери. Коробку закрепляют на стойках. Открывание и закрывание створки производится рычагами-толкателями, поворот которых осуществляется с помощью гидропривода. Скорость движения толкателей регулируется. Число циклов (открывание-закрывание) фиксируется счетчиком. Управление работой машины — с пульта. Вертикальное нагружение створки производится с помощью нагружающего устройства. Привод электрический.
Техническая характеристика
|
Габаритные размеры, мм: |
|
|
ширина |
4140 |
|
длина |
4000 |
|
высота |
3970 |
|
Масса, кг |
3400 |
|
Установленная мощность, кВт |
5,5 |
|
Скорость движения толкателей, рад/с |
0,1-2,0 |
|
Максимальная величина статической нагрузки, кгс |
150 |
Черт.1 — Испытательная машина 1 (конструкции ВНИИдрева)

1 — стойка; 2 — испытуемое изделие; 3 — привод; 4 — рычаги-толкатели; 5 — гидробак; 6 — счетчик оборотов; 7 — пульт управления; 8 — нагружающее устройство; 9 — стопорное устройство.Черт.1
Испытательная машина 2 (конструкции ВНИИдрева)
Машина (черт.2) предназначена для испытания на сопротивление окон и балконных дверей нагрузке, действующей перпендикулярно плоскости створки, в том числе на запорные приборы и ручки.Окно или дверь помещают на опоры машины: неподвижную и подвижную, перемещаемую при настройке на ширину окна или двери. Коробку закрепляют на опорах. Настройка нагружающего устройства на заданную зону изделия производится путем перемещения каретки с траверсой по направляющим, а нагружающего устройства с силоизмерителем — по траверсе. Нагружение и разгружение осуществляется при перемещении траверсы по колонкам.Управление всеми перемещениями — с пульта. Привод электромеханический.
Техническая характеристика
|
Габаритные размеры, мм: |
|
|
ширина |
4105 |
|
длина |
4630 |
|
высота |
2915 |
|
Масса, кг |
5400 |
|
Установленная мощность, кВт |
4,1 |
|
Максимальная статическая нагрузка, кгс |
1000 |
|
Скорость перемещения нагружающего устройства, мм/мин |
40 и120 |
|
Скорость перемещения каретки, м/с |
0,15 |
|
Скорость перемещения опоры, м/с |
0,04 |
Черт.2 — Испытательная машина 2 (конструкции ВНИИдрева)

1 — основание машины; 2 — неподвижная опора; 3 — подвижная опора; 4 — каретка; 5 — направляющая каретки; 6 — траверса; 7 — колонка для перемещения траверсы; 8 — датчик сил; 9 — измеритель перемещений; 10 — прижимы; 11 — испытуемое изделие.Черт.2
Электронный текст документа и сверен по:официальное изданиеМ.: Издательство стандартов, 1987
бтр. is гост иш-м
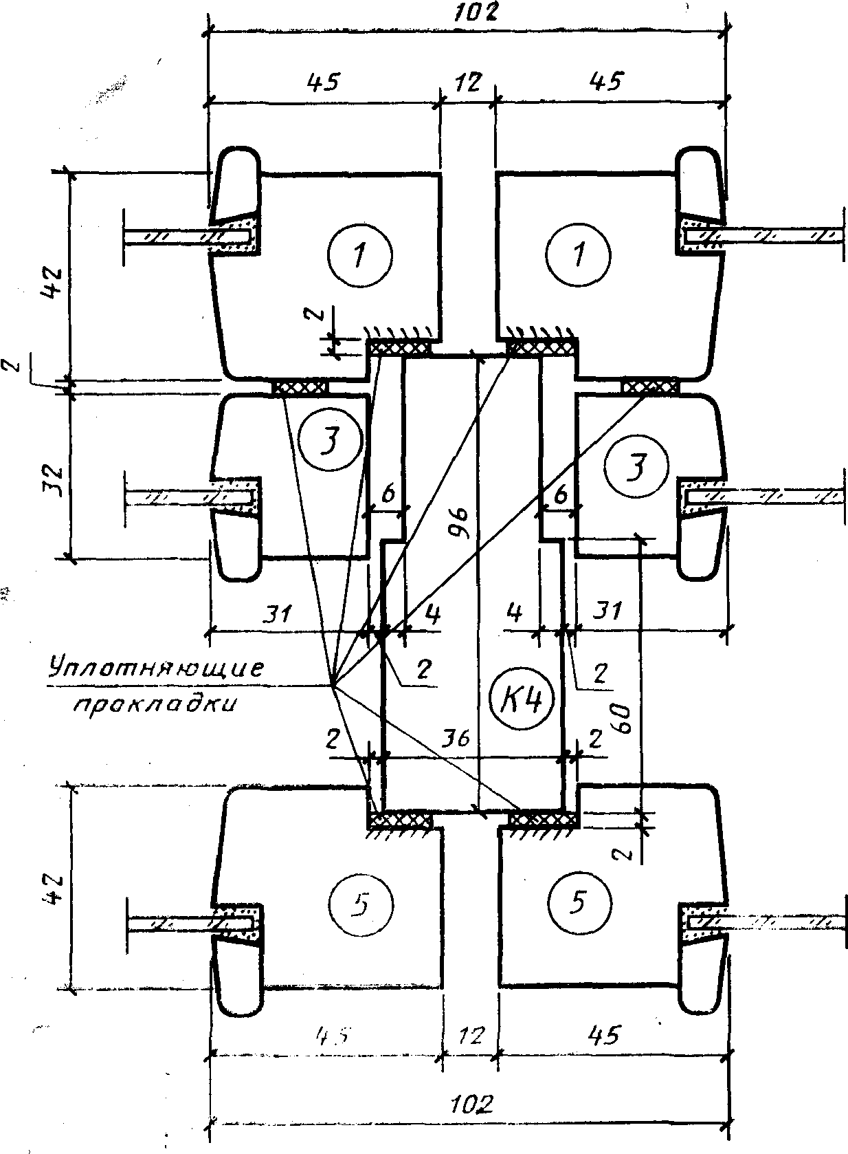
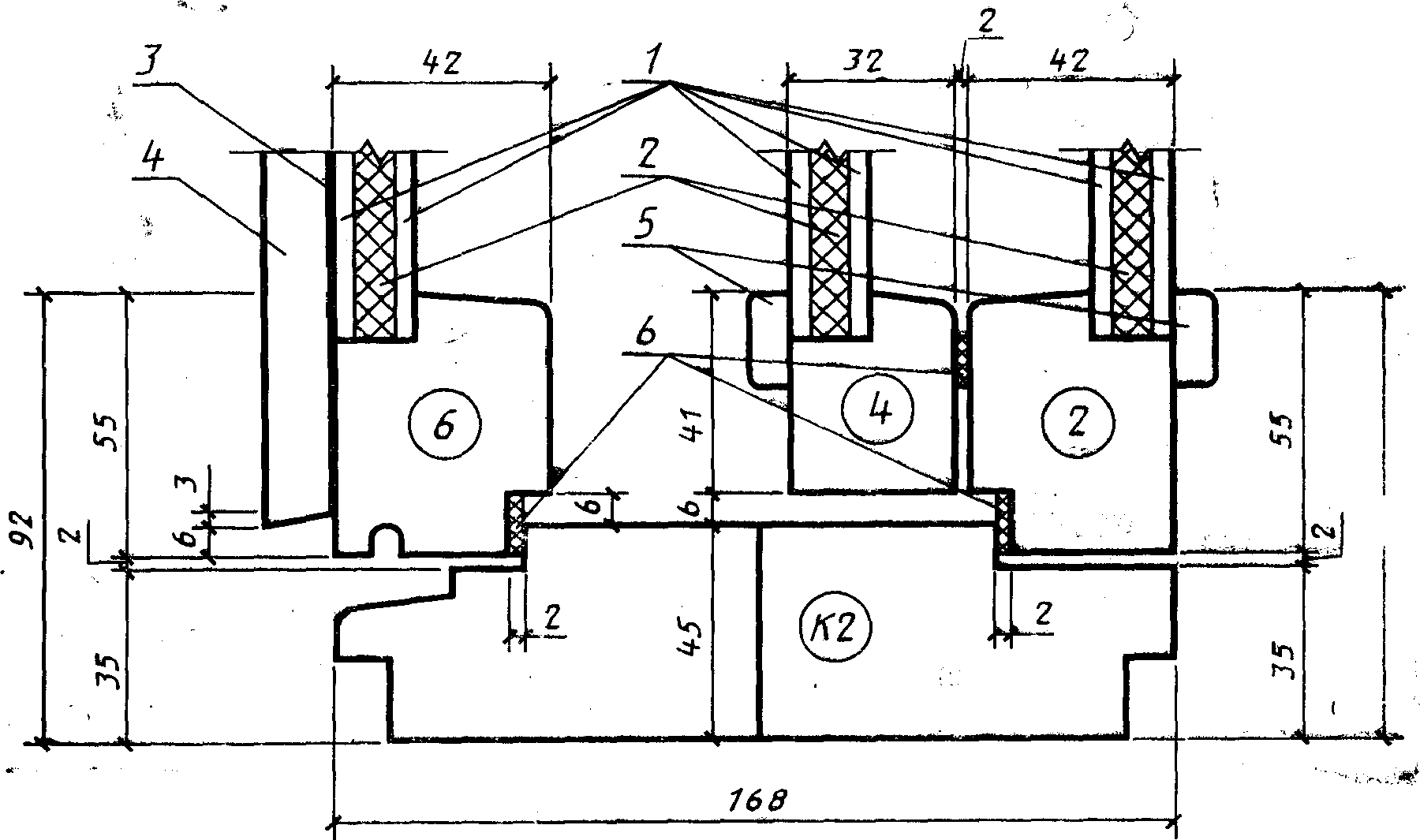
Сечение АЙ *■
2

Черт. 17
Сечение АЗ
us -f 2

fd£t 26&oi-8* ttp. 17
Селение A 4

Течение Б 2

/твердая древесноволокнистая плита Т-400 по ГОСТ 4598— 74, б—3,2-1-4 им; 2—мягкая дре* весноволокнистая плита по ГОСТ 4698—74, 6=8 мм>; 3—пергамин по ГОСТ 2897—83; 4—обшивка типа 2 по ГОСТ 8242—75; 5—раскладки; б—уплотняющие прокладки по ГОСТ 10174—72
Черт, 20
Сечение БЗ


/—уплотняющая прокладка; i—раскладке
Черт, 21
92
Сечение Б4
7.

1—раскладки; 2—уплотняющие прокладки
Черт. 22
Сечения А5 и Б5

rdCt ДОМ-ftS Стр. 21
приложение 1
Рекомендуемое
расположения Приборов в окнах и
Серия РМ.
ОРМ 15 — 11 ,
БАЛКОННЫХ ДВЕРЯХ
Серия РСМ
15-11

/—ПН1—85Л; 2—завертка накладная ЗФ2П для наружной форточки; 3—задвижка накладная ЗТ (h); 4—ручка PC 80;
5—ПН5-*-60; 6—стяжка СТ; 7—ПН7; 8—ГТН1— 110П
, L ^Приборы для окон и дверей должны соответствовать ГОСТ 538—78; ГОСТ 5087—80; ГОСТ 5088—78, ГОСТ 5§§0—79 и ГОСТ 5091—78.
2. Ручки-скобы устанавливаются на наружных и внутренних створках и полотнах.
3. Наружные створки должны оснащаться ветровыми крючками.
ПРИЛОЖЕНИЕ й
Справочное
Стр. 55 ГОСТ 266(Н—
СПЕЦИФИКАЦИЯ СТГКОЛ ДЛЯ ОКОН И БАЛКОННЫХ ДВЕРЕЙ СЕРИИ РМ
|
Марка |
Размер, мм |
Количество |
Марка |
Размер, мм |
t Количество |
||
|
Высота |
Ширина |
Высота |
Ширина |
||||
|
ОРМ 6—6 |
410 |
420 |
2 |
ОРМ 15—11 |
315 |
‘430 |
2 |
|
ОРСМ 6—11 |
410 |
430 |
4 |
930 |
430 |
2 |
|
|
ОРМ 6—13,5 |
410 |
550 |
4 |
1310 |
430 |
2 |
|
|
ОРМ 12—6 |
315 |
420 |
2 |
ОРМ 15—13,5 |
315 |
550 |
2 |
|
630 |
420 |
2 |
930 |
550 |
2 |
||
|
ОРМ 12—11 |
315 |
430 |
2 |
1310 |
550 |
2 |
|
|
630 |
430 |
2 |
ОРМ 15—6 |
1310 |
420 |
2 |
|
|
1010 |
430 |
2 |
БРМ 22—7,5 |
1310 |
550 |
2 |
|
|
ОРМ 12—13,5 |
315 |
550 |
2 |
||||
|
630 |
550 |
2 |
|||||
|
1010 |
550 |
2 |
|||||
|
ОРМ 15—6 |
315 |
420 |
2 |
||||
|
930 |
420 |
2 |
ПРИЛОЖЕНИЕ 3 Справочное
СПЕЦИФИКАЦИЯ СТЕКОЛ ДЛЯ ОКОН И БАЛКОННЫХ ДВЕРЕЙ СЕРИИ РСМ
|
Марка |
Размер, мм |
Количество |
Марка |
Размер, мм |
Количество |
||
|
Высота |
Ширина |
Высота |
Ширина |
||||
|
ОРСМ 6—6 |
410 |
420 |
3 |
ОРСМ 15—11 |
315 |
420 |
3 |
|
ОРСМ 6—11 |
410 |
420 |
6 |
920 |
420 |
3 |
|
|
ОРСМ 6—13,5 |
410 |
540 |
6 |
1310 |
420 |
3 |
|
|
ОРСМ 12—6 |
315 |
420 |
3 |
ОРСМ 15—13,5 |
315 |
540 |
3 |
|
620 |
420 |
3 |
920 |
540 |
3 |
||
|
ОРСМ 12—11 |
315 |
420 |
3 |
1310 |
540 |
3 |
|
|
620 |
420 |
3 |
ОРСМ 15—6А |
1310 |
420 |
3 |
|
|
1010 |
420 |
3 |
БРСМ 22—7,5 |
1310 |
550 |
3 |
|
|
ОРСМ 12—13,5 |
315 |
540 |
3 |
||||
|
620 |
540 |
3 |
‘ ‘ -1 ‘ ;• ………’у_ |
||||
|
1010 |
540 |
3 |
|||||
|
ОРСМ 15—6 |
315 |
420 |
3 |
||||
|
920 |
420 |
3 |
|
Величина |
Единица |
||||
|
Наименование |
Обозя«щ&оде |
||||
|
международное |
руседо |
||||
|
G : I О Е ИЫЕ ЕДИНИЦЫ |
СИ |
||||
|
Длина |
метр |
Ш |
f м |
||
|
Масса |
килограмм |
kg |
КГ |
||
|
Время |
секунда |
$ |
С |
||
|
Сила электрического тока |
ампер |
.А |
А |
||
|
Термодинамическая тезянера- |
ч |
||||
|
. тура |
кельвин |
К |
К |
||
|
Количество вещества |
моль |
mol |
моль |
||
|
Сила света |
кацдсла |
cd |
т |
||
|
ДОПОЛНИ |
ТЕЛЬНЫЕ ЕДИНИЦЫ СИ |
г. |
|||
|
Плоский угол |
радиан |
rad |
р%д |
||
|
Телесный угол |
стерадиан |
sr |
ср |
||
|
ПРОИЗВОДНЫЕ ЕДИНИЦЫ СИ, ИМЕЮЩИЕ СПЕЦИАЛЬНЫ |
|||||
|
НАИМЕНОВАНИЯ |
|||||
|
Единиц* |
|||||
|
Величина |
Обоыгечмте |
оенеодие к до- |
|||
|
Наииеиова- |
|||||
|
ние |
междуш- |
единицы СИ |
|||
|
роДИОС- |
руссзше |
||||
|
Частота |
герц |
Ш |
Гц |
С“‘ |
|
|
Сила |
ньютон |
N |
н |
м кг с-2 |
|
|
Давление |
паскаль |
Ра |
Па |
м“‘ ■ кг с-1 |
|
|
Энергия |
джоуль |
J |
Дж |
м* кг • с-* |
|
|
Мощность |
ватт |
W |
Вт |
м2 • кг с»3 |
|
|
Количество электричества |
кулон |
С |
Кл |
с А ^ |
|
|
Электрическое напряжение |
вольт |
V |
В |
ма кг с-3 • А-1 |
|
|
Электрическая емкость |
фарад |
F |
Ф |
м~2 кг-1 • с4 • А2 |
|
|
Электрическое сопротивление |
ОМ |
а |
Ом |
мг кг с-3 • А-3 |
|
|
Электрическая проводимость |
сименс |
S |
См |
м-г • кг-1 • с3 • А2 |
|
|
Поток магнитной индукции |
вебер |
Wb |
Вб |
м2 кг с~* А-1 |
|
|
Магнитная индукция |
тесла |
Т ■ |
Тл |
кг • с-2 • А-1 |
|
|
Индуктивность |
генря |
II |
Гн |
м2 • кг • с-2 А-2 |
|
|
Световой поток |
люмену |
1т |
ЛМ |
КА ср |
|
|
Освещенность |
люкс |
1х |
лк |
МГ*’’ ил Ср |
|
|
Активность радионуклида — |
беккерель |
Bq |
Бк |
С”1 |
|
|
Поглощенная доза |
грэй |
Gy |
Гр |
м* • С»А. |
|
|
ионизирующего излучения |
|||||
|
Эквивалентная доза излучения |
зиверт |
Sv |
Зв |
м2 • с-2 |
|
ПРИЛОЖЕНИЕ 2
Справочное
Коэффициент сборности изделия (Kсб), количественно характеризующий сложность сборки изделия в процессе его изготовления, определяют по формуле
где Е — общее число сборочных единиц в изделии;
Д — общее число деталей, за исключением вошедших в сборочные единицы и крепежных деталей.
Сборочными единицами окон, дверей и ворот являются:
створки окон, клапаны, фрамуги, форточки, собранные в рамки, без стекла, приборов и др. устройств;
полотна дверей и ворот, собранные в рамки или щиты, без стекла, филенок, раскладок, приборов и пр.;
стеклопакеты, приборы, жалюзи, сетки, филенки и др.
К числу деталей (за исключением вошедших в сборочные единицы) относятся: стекла, отливы, нащельники, раскладки, подкладки, жалюзийные планки, рейки облицовки, рейки обшивки, детали филенок, уплотняющие прокладки, угольники, крепежные детали, в том числе для приборов и др.
Коэффициент унификации изделия (Kу), количественно характеризующий насыщенность изделия унифицированными деталями и унифицированными сборочными единицами, определяют по формуле
где Еу — число унифицированных сборочных единиц в изделии;
Ду — число унифицированных деталей в изделии, за исключением вошедших в сборочные единицы и крепежных деталей;
Е — общее число сборочных единиц в изделии;
Д — общее число деталей в изделии, за исключением вошедших в сборочные единицы и крепежных деталей.
К унифицированным сборочным единицам и унифицированным деталям относят унифицированные по размерам или форме в пределах изделия или заимствованные из ряда аналогичных деталей (например, форточки, клапаны, отливы, нащельники и т.д.) или стандартные покупные изделия (например, стеклопакеты, приборы, угольники и др.).
ИНФОРМАЦИОННЫЕ ДАННЫЕ
. РАЗРАБОТАН
Министерством лесной, целлюлозно-бумажной и деревообрабатывающей промышленности СССР
Госстроем СССР
Государственным комитетом по гражданскому строительству и архитектуре при Госстрое СССР
. ВНЕСЕН Министерством лесной, целлюлозно-бумажной и деревообрабатывающей промышленности СССР
. УТВЕРЖДЕН И ВВЕДЕН В ДЕЙСТВИЕ Постановлением Государственного комитета СССР по делам строительства от 05.05.83
. ВВЕДЕН ВПЕРВЫЕ
. ССЫЛОЧНЫЕ НОРМАТИВНО-ТЕХНИЧЕСКИЕ ДОКУМЕНТЫ
|
Номер пункта, приложения |
Обозначение НТД, на который дана ссылка |
Номер пункта, приложения |
|
|
Вводная часть, |
|||
|
СНиП II-2-80 |
|||
|
РД 50-149-79 |
. ПЕРЕИЗДАНИЕ. Ноябрь 2003 г.





























